Mob: (+372) 555 46297
Küsi hinnapakkumist
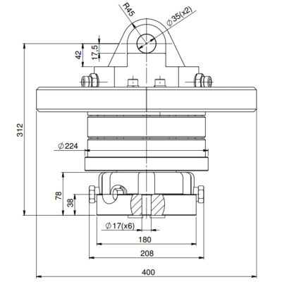
Pöördpea / rotaator RX120
RX 120 – Madala konstruktsiooniga rotaator puiduveokitele ja metsatöötlemismasinatele.
| Tehnilised andmed | RX 120.2 | RX 120 S | RX 120 FT | RX 120 FT-203 |
| Maks. teljekoormus / kg | 12000 | 12000 | 12000 | 12000 |
| Pöördemoment / Nm | 2400 | 2400 | 2400 | 2400 |
| Optimaalne voolukiirus / l/min | 20 | 20 | 20 | 20 |
| Maks. töösurve / bar | 250 | 250 | 250 | 250 |
| Kaal / kg | 63 | 65 | 60 | 60 |

